• 政策性文件

    中央文件
    国务院文件
    自治区文件
    地区文件
    县级文件
    政府文件
    政办文件
    政府任免
    规范性文件
    政策解读
    通知公告
  • 政府信息公开指南

  • 政府信息公开制度

  • 法定主动公开内容

    政府职能
    政府领导
    政府机构
    权责清单
    规划信息
    “十四五”规划
    历史规划
    政府工作报告
    重大会议
    重大行政决策预公开
    财政信息公开
    财政预算决算公开
    专项资金管理
    社会保险基金预决算
    国有资本经营预决算
    金融监管
    法制财政
    乡村振兴资金
    地方政府债务
    绩效管理
    重点领域
    基层政务公开事项标准目录
    重大建设项目
    义务教育
    医疗卫生
    招考招聘
    社会救助
    乡村振兴
    生态环境
    稳岗就业
    安全生产
    应急预案
    税收管理
    行政事业性收费公开
    自然资源
    统计数据
    双随机一公开
    公共企事业单位
    住房城乡建设
    旅游文化体育
    涉农补贴
    政府集中采购
    食品药品监管
    养老服务
    市场规则监管执法
    电子商务
    双拥共建
    法治政府
    水利领域
    交通运输
    处罚强制
    依据条件程序
    结果公示
    行政许可
    依据条件程序
    结果公示
    提案议案
  • 政府信息公开年报

  • 依申请公开

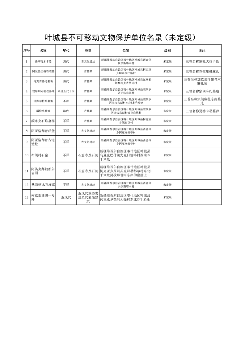
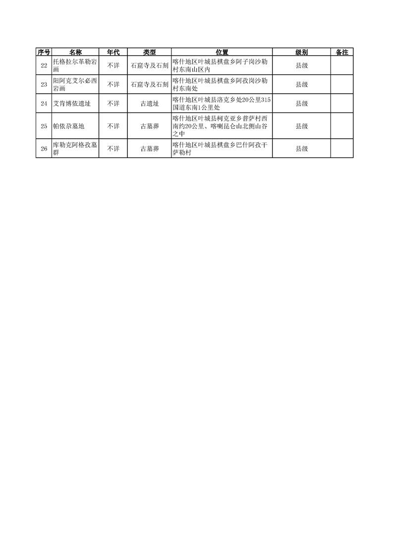
叶城县文物保护单位名录

来源:叶城县文化体育广播电视和旅游局 作者: 发布时间 2025年10月30日 点击数:

 

关联稿件:

开办:叶城县人民政府主办:叶城县人民政府办公室

承办:叶城县电子政务办公室地址:叶城县文化西路04号联系方式:0998-7287122

政府网站标识码:6531260001 【ICP备案号】新ICP备07002214号-1 【公安备案号】65312602000015